POMPA VERTICALE VGA
POMPE INDUSTRIALI VERTICALI

POMPA VERTICALE VGA
Caratteristiche:
- costruita in Polipropilene (PP), in PVC o in PVDF è garantita ad una vastissima gamma di prodotti chimici con temperature fino a 90°
- guida terminale dell’albero con boccola in ceramica
- nessuna parte metallica è a contatto con il liquido pompato

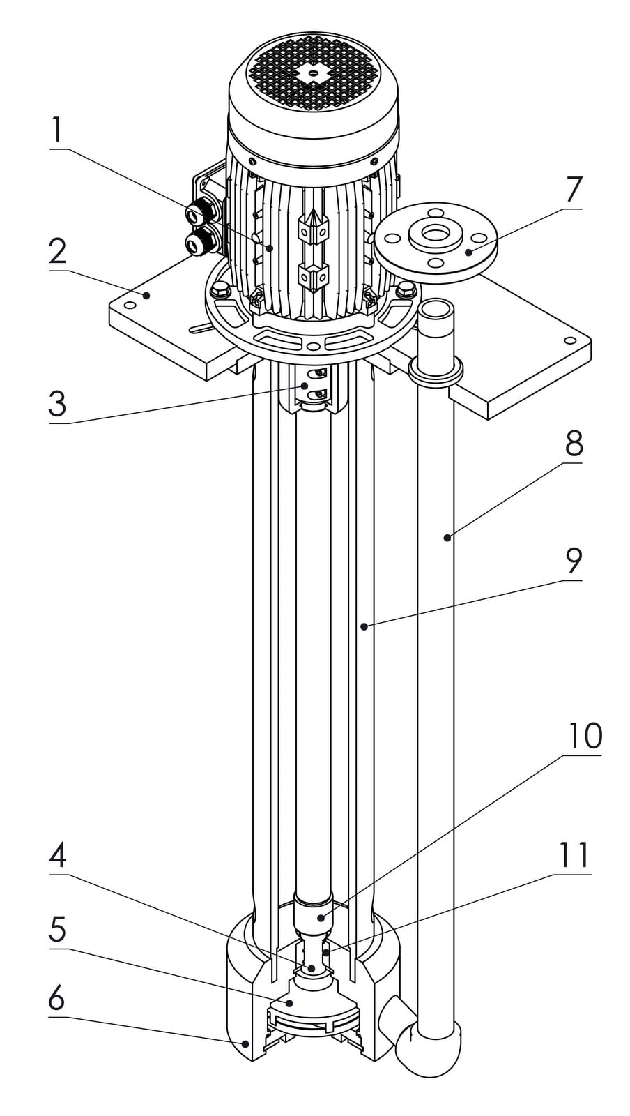
- Motore
- Piastra di Fissaggio
- Boccola Ceramica
- Girante
- Corpo Pompa
- Flangia
- Tubo di Mandata
- Pescante
- Terminale di Rivestimento
- Boccola di Guida
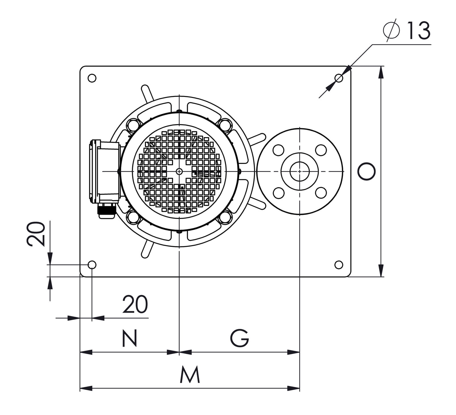
DATI TECNICI



